一、概述
WXJ-WSJ圓柱蝸桿減速機為單級傳動的阿基米德圓柱蝸桿減速機,結構緊湊。體積小。重量輕,傳動平穩、靈活,無沖擊。無噪音,具有自鎖作用,使用方便。適用于化工、冶金、礦山、紡織、食品、醫藥等行業的各種機械設備上。
二、適用范圍
(1)一蝸桿嚙合處滑動速比大子7.5m/s;(2)蝸桿轉速不超過1500r/min:
(3)T作環境溫度為-40~C~+45~C;(4)可用正反兩向運轉。
三、標記示例
四、WXJ、WSJ減速器主要參數表
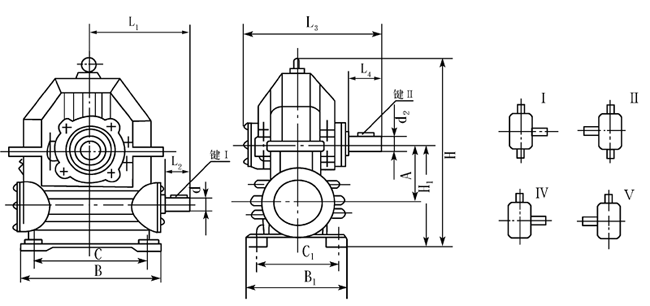
WSJ圓柱蝸桿減速器實體模型
|
型號
|
A
|
H1
|
H
|
B
|
B1
|
C
|
C1
|
4--Φ
|
L1
|
L2
|
L3
|
L4
|
d1
|
鍵I
|
d2
|
鍵II
|
|
WSJ80
|
80
|
200
|
275
|
210
|
160
|
145
|
115
|
4—Φ13
|
181
|
50
|
152
|
50
|
Φ22
|
6×40
|
Φ30
|
8×42
|
|
WSJ100
|
100
|
240
|
330
|
250
|
180
|
180
|
140
|
4—Φ18
|
191
|
50
|
176
|
65
|
Φ30
|
8×42
|
Φ40
|
12×55
|
|
WSJ120
|
120
|
270
|
360
|
275
|
200
|
200
|
150
|
4—Φ18
|
218
|
56
|
187
|
78
|
Φ30
|
8×50
|
Φ45
|
14×70
|
|
WSJ180
|
180
|
370
|
520
|
420
|
320
|
300
|
260
|
4—Φ24
|
298
|
78
|
261
|
98
|
Φ45
|
14×68
|
Φ60
|
18×90
|
|
型號
|
中心矩
|
速比
|
蝸桿頭數
|
蝸桿齒輪
|
模數
|
配用功率KW
|
|
WSJ-80
|
80
|
52
|
1
|
52
|
2.5
|
1.1~1.5
|
|
41
|
1
|
41
|
3
|
|||
|
20.5
|
2
|
|||||
|
30
|
1
|
30
|
4
|
|||
|
15
|
2
|
|||||
|
WSJ-100
|
100
|
55
|
1
|
55
|
3
|
1.5~2.2
|
|
27.5
|
2
|
|||||
|
40
|
1
|
40
|
4
|
|||
|
20
|
2
|
|||||
|
31
|
1
|
31
|
5
|
|||
|
15.5
|
2
|
|||||
|
WSJ-120
|
|
50
|
1
|
50
|
4
|
2.2~3
|
|
25
|
2
|
|||||
|
39
|
1
|
39
|
5
|
|||
|
19.5
|
2
|
|||||
|
31
|
1
|
31
|
6
|
|||
|
15.5
|
2
|
|||||
|
WSJ-150
|
150
|
51
|
1
|
51
|
5
|
4.5~5.5
|
|
25.5
|
2
|
|||||
|
41
|
1
|
41
|
6
|
|||
|
20.5
|
2
|
|||||
|
33
|
1
|
33
|
7
|
|||
|
WSJ-180
|
180
|
51
|
1
|
51
|
6
|
5.5~7
|
|
37
|
1
|
37
|
8
|
代號
WXJ、WSJ蝸桿減速器的標記包括:型號、中心距、傳動比、裝配型式。
標記示例:
代號
WXJ、WSJ蝸桿減速器的標記包括:型號、中心距、傳動比、裝配型式。
標記示例:

|
型號
|
中心矩
|
速比
|
蝸桿頭數
|
蝸桿齒輪
|
模數
|
配用功率KW
|
|
WXJ-80
|
80
|
52
|
1
|
52
|
2.5
|
1.1~1.5
|
|
41
|
1
|
41
|
3
|
|||
|
20.5
|
2
|
|||||
|
30
|
1
|
30
|
4
|
|||
|
15
|
2
|
|||||
|
WXJ-100
|
100
|
55
|
1
|
55
|
3
|
1.5~2.2
|
|
27.5
|
2
|
|||||
|
40
|
1
|
40
|
4
|
|||
|
20
|
2
|
|||||
|
31
|
1
|
31
|
5
|
|||
|
15.5
|
2
|
|||||
|
WXJ-120
|
|
50
|
1
|
50
|
4
|
2.2~3
|
|
25
|
2
|
|||||
|
39
|
1
|
39
|
5
|
|||
|
19.5
|
2
|
|||||
|
31
|
1
|
31
|
6
|
|||
|
15.5
|
2
|
|||||
|
WXJ-150
|
150
|
51
|
1
|
51
|
5
|
4.5~5.5
|
|
25.5
|
2
|
|||||
|
41
|
1
|
41
|
6
|
|||
|
20.5
|
2
|
|||||
|
33
|
1
|
33
|
7
|
|||
|
WXJ-180
|
180
|
51
|
1
|
51
|
6
|
5.5~7
|
|
37
|
1
|
37
|
8
|
|||
|
18.5
|
2
|
WXJ外形尺寸、安裝尺寸及裝配型式
|
型號
|
A
|
H1
|
H
|
B
|
B1
|
C
|
C1
|
4--Φ
|
L1
|
L2
|
L3
|
L4
|
d1
|
鍵I
|
d2
|
鍵II
|
|
WXJ80
|
80
|
160
|
285
|
210
|
160
|
145
|
115
|
4—Φ13
|
181
|
50
|
152
|
50
|
Φ22
|
6×40
|
Φ30
|
8×42
|
|
WXJ100
|
100
|
190
|
340
|
250
|
180
|
180
|
140
|
4—Φ18
|
191
|
50
|
176
|
65
|
Φ30
|
8×42
|
Φ40
|
12×55
|
|
WXJ120
|
120
|
220
|
380
|
275
|
200
|
200
|
150
|
4—Φ18
|
218
|
56
|
187
|
78
|
Φ30
|
8×50
|
Φ45
|
14×70
|
|
WXJ150
|
150
|
270
|
450
|
374
|
260
|
290
|
210
|
4—Φ24
|
277
|
65
|
227
|
90
|
Φ40
|
12×50
|
Φ55
|
16×80
|
|
WXJ180
|
180
|
320
|
540
|
420
|
320
|
300
|
260
|
4—Φ24
|
298
|
78
|
261
|
98
|
Φ45
|
14×68
|
Φ60
|
18×90
|
上一條:WS蝸輪減速機