WD蝸桿減速器適用范圍
WD蝸輪減速機該標準為一級傳動的阿基米德圓柱蝸桿減速器;WS(蝸桿上置)WD(蝸桿下置)。(蝸阿基米德圓柱蝸桿減速器適用于蝸桿嚙合處滑動速度不大于7.5m/s;蝸桿速度不超過1500r/min;工作環境溫度為-40~+40℃;并可正、反方向運轉的場合。
WD蝸桿減速器型號標記
型號標記
圓柱蝸桿減速器的標記包括:型號、中心距、傳動比、裝配型式
標記示例:

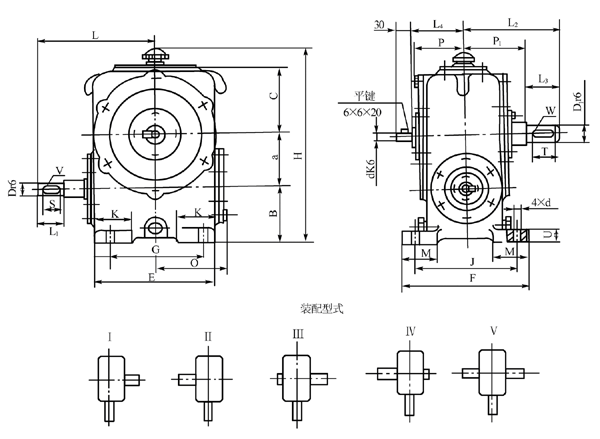
WD型圓柱蝸桿減速器(80~120)安裝尺寸
|
型號
|
a
|
B
|
C
|
D
|
D1
|
E
|
F
|
G
|
H
|
J
|
K
|
L
|
L1
|
L2
|
L3
|
L4
|
|
WD80
|
80
|
90
|
105
|
20
|
35
|
190
|
200
|
150
|
305
|
160
|
60
|
190
|
50
|
158
|
58
|
90
|
|
WD100
|
100
|
110
|
135
|
25
|
40
|
240
|
210
|
180
|
375
|
170
|
70
|
225
|
60
|
182
|
82
|
100
|
|
WD120
|
120
|
120
|
150
|
30
|
45
|
270
|
220
|
200
|
420
|
180
|
80
|
275
|
80
|
197
|
82
|
110
|
|
型號
|
M
|
O
|
P
|
P1
|
S
|
T
|
U
|
V(b×h)
|
W(b×h)
|
d
|
轉動慣量kg·m2
|
質量kg
|
|
WD80
|
60
|
120
|
83.5
|
100
|
40
|
50
|
20
|
6×6
|
10×8
|
18
|
0.265×10~3
|
36.5~38.5
|
|
WD100
|
70
|
145
|
90
|
100
|
40
|
60
|
20
|
8×7
|
12×8
|
18
|
0.84×10~3
|
53~65
|
|
WD120
|
80
|
165
|
102
|
115
|
50
|
60
|
20
|
8×7
|
14×9
|
18
|
1.79×10~3
|
75.4~81.7
|
|
型號
|
a
|
B
|
C
|
D
|
D1
|
E
|
F
|
G
|
H
|
J
|
K
|
L
|
L1
|
L2
|
L3
|
L4
|
|
WD150
|
150
|
150
|
165
|
35
|
65
|
370
|
340
|
310
|
513
|
280
|
100
|
303
|
58
|
315
|
105
|
190
|
|
WD180
|
180
|
180
|
190
|
40
|
70
|
430
|
360
|
360
|
593
|
300
|
120
|
362
|
82
|
345
|
105
|
215
|
|
WD210
|
210
|
210
|
215
|
45
|
80
|
490
|
400
|
400
|
683
|
320
|
140
|
412
|
82
|
385
|
130
|
225
|
|
WD250
|
250
|
250
|
265
|
50
|
90
|
570
|
430
|
440
|
813
|
360
|
160
|
442
|
82
|
395
|
130
|
240
|
|
WD300
|
300
|
300
|
320
|
70
|
120
|
670
|
500
|
520
|
968
|
420
|
200
|
535
|
105
|
465
|
165
|
270
|
|
WD360
|
360
|
360
|
370
|
80
|
150
|
840
|
610
|
650
|
1138
|
440
|
240
|
640
|
130
|
575
|
200
|
340
|
|
型號
|
M
|
O
|
P
|
P1
|
Q
|
R
|
S
|
T
|
U
|
V(b×h)
|
W(b×h)
|
d
|
轉動慣量kg·m2
|
質量/kg
|
|
WD150
|
90
|
230
|
180
|
210
|
455
|
200
|
50
|
100
|
30
|
10×8
|
18×11
|
22
|
3.11×10~3
|
146~163
|
|
WD180
|
90
|
270
|
205
|
240
|
515
|
230
|
60
|
100
|
30
|
12×8
|
20×12
|
22
|
7.63×10~3
|
295~327.5
|
|
WD210
|
100
|
300
|
215
|
255
|
585
|
250
|
70
|
140
|
30
|
14×9
|
22×14
|
22
|
23.50×10~3
|
298~344
|
|
WD250
|
120
|
340
|
225
|
265
|
665
|
270
|
80
|
125
|
40
|
14×9
|
25×14
|
26
|
79×10~3
|
480~513
|
|
WD300
|
150
|
405
|
255
|
300
|
765
|
310
|
90
|
140
|
50
|
20×12
|
32×18
|
32
|
143×10~3
|
771~904
|
|
WD360
|
180
|
490
|
325
|
375
|
905
|
360
|
110
|
180
|
50
|
22×14
|
36×20
|
39
|
223.13×10~3
|
1195~1395
|
|
型號
|
轉矩
|
速比
|
||||||||||||||||
|
9.67
|
11.67
|
13.67
|
15.67
|
17.67
|
19.5
|
21.5
|
23.5
|
25.5
|
27.5
|
30
|
33
|
37
|
41
|
47
|
53
|
60
|
||
|
WD
|
80
|
55.9
|
55
|
53
|
41.2
|
48.1
|
54.9
|
52
|
41.2
|
49.1
|
45.2
|
56
|
56
|
49.1
|
53
|
41.2
|
48.1
|
—
|
|
100
|
111
|
105
|
106
|
98.1
|
93.1
|
101
|
89.2
|
98.1
|
77.5
|
91.1
|
107
|
107
|
103
|
99
|
98.1
|
93.2
|
69.6
|
|
|
120
|
188.3
|
186.4
|
172.5
|
163.8
|
139
|
169.8
|
168.8
|
165
|
158
|
158
|
188.3
|
166
|
183.5
|
172.5
|
164.8
|
139.2
|
130.7
|
|
|
150
|
344
|
332
|
335.5
|
328.5
|
272
|
341
|
301
|
328.5
|
295
|
296
|
336.5
|
360
|
347
|
335.5
|
328.5
|
271
|
237.5
|
|
|
180
|
596.4
|
680
|
586
|
561
|
475
|
524
|
527
|
561
|
537
|
—
|
640
|
565
|
535
|
584.9
|
555
|
471
|
506
|
|
|
210
|
1009.4
|
864.4
|
920
|
877
|
744.8
|
820
|
899
|
878
|
840.9
|
877
|
1006.5
|
887
|
950.6
|
921
|
877
|
744.8
|
279
|
|
|
250
|
1728
|
1700
|
1352
|
1254
|
1328
|
1577
|
1313
|
1254
|
1470
|
1136
|
1725
|
15.078
|
1695
|
1352
|
1254
|
1332
|
1426
|
|
|
300
|
2832
|
2656
|
2685
|
2567
|
2018
|
2734
|
2273
|
2568
|
2460
|
2371
|
2783
|
2724
|
2773
|
2695
|
2568
|
2018
|
1881
|
|
|
360
|
4704
|
4606
|
4282
|
4429
|
3498
|
4723
|
4184
|
4429
|
4253
|
—
|
4665
|
4576
|
4495
|
4282
|
4429
|
3488
|
3920
|
|
上一條:TPU平面包絡環面蝸桿減速器
下一條:WHC型圓弧齒蝸輪減速機